Graham Shawcross PhD Architect
Skip to content
Home
About
←
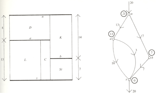
Severely Constrained Design
HouseGraph2
By
Graham Shawcross
|
Published
December 12, 2013
|
Full size is
546 × 326
pixels
HouseGraph1
HouseGraph3
Bookmark the
permalink
.
Leave a comment
Cancel reply
Δ
Comment
Subscribe
Subscribed
grahamshawcross.com
Join 66 other subscribers
Sign me up
Already have a WordPress.com account?
Log in now.
grahamshawcross.com
Subscribe
Subscribed
Sign up
Log in
Copy shortlink
Report this content
View post in Reader
Manage subscriptions
Collapse this bar